三菱伺服電機MR-J3系列位置/轉矩控制說明
一、三菱伺服MR-J3接線說明

外部PLC控制 伺服引腳 定義 說明 備注
?外部模擬量(+)-------- 2 VC 速度模擬量(+0-10V) 轉矩控制
?外部模擬量(+)-------- 27 TLA 轉矩模擬量(±0-8V) 轉矩控制
?外部模擬量(-)-------- 28 LG 模擬量公共端(0V) 轉矩控制
?三菱PLC輸出點 --------16 LOP 轉矩/位置切換 0FF:轉矩
三菱PLC輸出點 ------- 19 ST1 正轉啟動 轉矩控制
?三菱PLC輸出點 ------- 41 ST2 反轉啟動 轉矩控制
?PLC輸出點 ------- 10 PP 正轉脈沖 位置控制
?PLC輸出點 ------- 35 NP 反轉脈沖 位置控制
?PLC輸出點 ------- 15 SON 伺服使能 必備接線
------- 42 EM2 強制停止 必備接線
l開關電源(-) ------- 47 DOCOM 供電DC0V 必備接線
l開關電源(+) ------- 20 DICOM 供電DC24V 必備接線
l ------- 12 OPC 脈沖電源 位置控制
二:三菱伺服J3參數設置
參數 定義 設置值 說明
PA01 運行模式 1 位置/速度切換模式
PA05 電子齒輪比 1000 每轉脈沖數
PA13 脈沖輸入形式 0001 脈沖+方向
PA21 電子齒輪選擇 1001 PA05有效
PD01 輸入信號選擇 0C00 正負極限屏蔽
PD04 引腳信號選擇 00232323 16腳分配為LOP信號
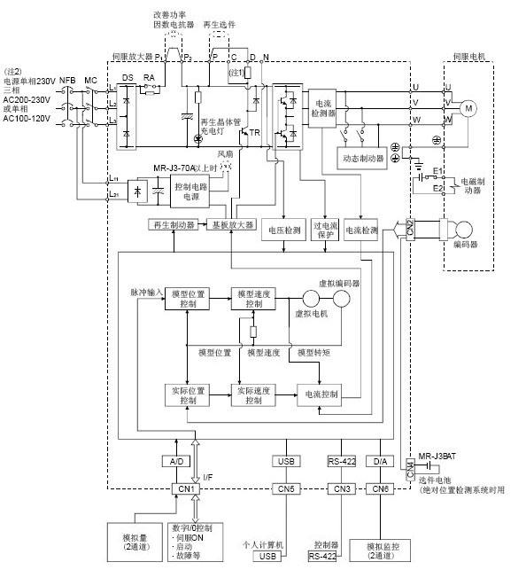
三:附三菱伺服電機MR-J3系列說明書接線圖
以上便是三菱伺服電機MR-J3系列位置/轉矩控制說明,希望能對小伙伴們有所幫助!如你對三菱伺服產品有所需求,也請多多支持海藍,我們將為您提供質優價廉的產品和細致入微的服務!24小時服務熱線:400-8189-130!




評論信息